永磁直流電機轉子繞線方法(無刷直流電動機的轉子為)
- 發布時間:??2022-06-10
- 分類:行業資訊
- 作者:117.173.222.208-34566
- 來源:admin
- 訪問量:1
小S初次接觸永磁電機,和女士參說起他的一些疑惑:無刷直流永磁電機的電子換向問題太讓人費解了,什么“一相導通三相三狀態”、“二相導通三相六狀態”及“二相、三相導通三相十二狀態”等等,似乎怎么折騰怎么算,盡管都是為了換向目的,方法卻五花八門,好眼暈!

女士參給他講,無刷直流永磁電機關鍵的技術就是換向問題,若照搬機械換向模式,太過復雜(一換向片相當于一相,大電機幾百個換相片都不算為過)以致無法實現,故而演變出許多種具有實際應用價值的換向方案,機理相同、接近于機械換向效果的水平有所差異,應權衡利弊、合理選擇。

# PGC-卡PGC-卡-href { text-decoration : none;大綱:無;顯示器:塊;寬度: 100%;高度: 100%;} #pgc卡.PGC-卡-href :懸停{ text-decoration : none} /*pc樣式*/.PGC-card { box-size :邊框-盒子;高: 164pxborder: 1px實心# e8e8e8相對位置:padding: 20px像素94像素12像素180像素飛越:隱藏;} .{內容: }之后的PGC-卡:顯示器:塊;邊框-左側: 1px實心# e8e8e8高度: 120像素;絕對位置:right: 76pxtop: 20px}。PGC-蓋{位置:絕對;寬度: 162像素;height : 162 xtop : 0;左: 0;背景尺寸:封面;} .PGC-內容{ overflow:隱藏;相對位置:前:名50%;-web套件-transform : translateY(-50%);transform : translateY(-50%);} .PGC-內容-標題{ font-size : 18px顏色: # 222線高: 1;字體粗細:粗體;飛越:隱藏;文本-飛越:省略號;空白: nowrap} .pgc-content-desccolor: # 444飛越:隱藏;文本-飛越:省略號;填充-top : 9px;飛越:隱藏;線高: 1.2 em顯示器:-網絡套件-直列式-盒子;-網套件-線夾: 2;-網絡套件-面向盒子的:垂直;} .PGC內容-價格{ font-size : 22pxcolor : # f 85959 padding-top : 18px;線高: 1em} .PGC-卡-買{ width : 75px絕對位置:右: 0;top : 50pxcolor : # 406599 font-size : 14px;文本-
align: center; } .pgc-buy-text { padding-top: 10px; } .pgc-icon-buy { height: 23px; width: 20px; display: inline-block; background: url(https://lf1-cdn-tos.bytescm.com/obj/cdn-static-resource/pgc/v2/pgc_tpl/static/image/commodity_buy_f2b4d1a.png); }
錫安馳60V1000W電動三輪水電瓶車大功率永磁直流無刷中置鏈條電機
¥499
購買
[xss_clean][xss_clean]
無刷直流永磁電機的電樞繞組
無刷直流永磁電機電子換向的方法與電樞繞組的連接方式緊密關聯,不同連接方式的電樞繞組與不同電子換向電路的組合是多種多樣的。
● 星形連接繞組
星形連接繞組是把所有相繞組線圈的首端或尾端連接在一起,與之相配合的電子換向電路可以是橋式線路,也可以是非橋式電路。圖1、圖2為星形繞組與橋式線路的組合,圖3、圖4為星形繞組與非橋式電路的組合。


● 封閉式連接繞組
封閉式連接繞組是由各相繞組線圈組成封閉的形式,即把相繞組線圈的尾端與第二相繞組線圈的首端相連接,再把第二相繞組線圈的尾端與第三相繞組線圈的首端相連接,依次類推,直至后一相繞組線圈的尾端又與相繞組線圈的首端相連接。圖5為三相封閉式連接繞組與橋式線路的組合,圖6為四相封閉式連接繞組與橋式線路的組合。

電子換向簡介
換向又可稱之為“換流”。
在無刷直流永磁電機中,來自轉子位置傳感器的信號,經處理后按照一定的邏輯程序,驅使某些與電樞繞組相連接的功率開關晶體管在某一瞬間導通或截止,迫使某些原來沒有電流的電樞繞組內開始流通電流,某些原來有電流的電樞繞組內開始關斷電流或改變電流的流通方向,從而迫使定子磁狀態產生變化。這種利用電子電路來實現電樞繞組內電流變化的物理過程即所謂“電子換向”或“換流”。“換向”或“換流”一次,定子磁狀態就改變一次;連續不斷地“換流”,于是在工作氣隙內產生一個跳躍式的旋轉磁場。
“電子換向”或“換流”是無刷直流永磁電機的關鍵技術之一,只有正確地進行“換流”,才能保證無刷直流永磁電動機可靠地運行。

電子換向實例
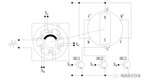
圖7是“三相星形非橋式”連接的電子換向電路的原理圖。

圖7
圖中左邊是電磁式轉子位置傳感器的示意圖。固定部分由高頻鐵氧體磁芯和六個線圈組成,其中三個線圈串聯作為原邊激磁線圈,另外三個線圈XU、XV和XW作為副邊輸出線圈,分別與U相、V相和W相三個電樞繞組相對應。轉子位置傳感器的旋轉部分由略大于120o電角度的扇形高頻鐵氧體磁芯(圖中涂黑部分)和非導磁體(圖中未涂黑部分)所組成的一個圓環,與電動機同軸安裝。

電子換向過程
圖7中轉子位置傳感器的原邊激磁線圈通以幾百千赫的高頻激磁電流的情況下,電子換向過程是這樣的:
● 當旋轉部分的高頻鐵氧體磁芯(圖中涂黑部分)扇形片使副邊輸出線圈XU與原邊激磁線圈耦合時,副邊輸出線圈XU就有輸出信號;而其他兩個副邊輸出線圈XV和XW沒有與原邊激磁線圈耦合,所以沒有輸出信號。這時利用副邊輸出線圈XU的輸出信號經整流處理后去觸發與U相電樞繞組相連接的功率開關晶體管BG1,并使之導通,功率開關晶體管BG2和BG3因沒有觸發信號而保持截止狀態,電源給U相電樞繞組供電。

圖7
● 當轉子位置傳感器的轉子扇形片轉過120o電角度時,扇形片使副邊輸出線圈Xv與原邊激磁線圈耦合,副邊輸出線圈XV就有輸出信號,而其他兩個副邊輸出線圈XU和XW沒有與原邊激磁線圈耦合,所以沒有輸出信號。這時,利用副邊輸出線圈XV的輸出信號經整流處理后去觸發與V相電樞繞組相連接的功率開關晶體管BG2, 功率開關晶體管BG2由截止變成導通,而功率開關晶體管BG1由導通變成截止,電源給V相電樞繞組供電。

圖7
● 當轉子位置傳感器的轉子扇形片再轉過120o電角度時,扇形片使副邊輸出線圈XW與原邊激磁線圈耦合,副邊輸出線圈XW就有輸出信號,而其他兩個副邊輸出線圈XU和XV沒有與原邊激磁線圈耦合,所以沒有輸出信號。這時,利用副邊輸出線圈XW的輸出信號經整流處理后去觸發與W相電樞繞組相連接的功率開關晶體管BG3, 功率開關晶體管BG3由截止變成導通,而功率開關晶體管BG2由導通變成截止,電源給W相電樞繞組供電。這樣,隨著轉子位置傳感器旋轉部分的扇形高頻鐵氧體磁芯的轉動,電樞繞組便被一相一相地依次饋電,從而實現了電樞繞組各相之間的“電子換向”或“換流”。

圖7
電樞電流產生的旋轉磁場及磁狀態
在換向或“換流”過程中,三相電樞電流在工作氣隙內會形成跳躍式的旋轉磁場,這種旋轉磁場在360o電角度范圍內有三個磁狀態,每個磁狀態持續120o電角度,故稱之為“一相導通星形三相三狀態”。圖8示意此情況下,永磁體磁場和電樞磁場之間的相互關系。

圖8(a)為磁狀態,Fa為電樞繞組被饋電后所產生的磁勢。顯然,電樞磁場與永磁體磁場的相互作用迫使電動機轉子沿著順時針方向旋轉;當轉子轉過120o電角度后,便進入第二磁狀態,如圖8(b)所示,電動機轉子繼續沿著順時針方向旋轉;當轉子再轉過120o電角度后,便進入第三磁狀態,如圖8(c)所示,電動機轉子繼續沿著順時針方向旋轉;當轉子再沿著順時針方向轉過120o電角度后,電動機便回到起始狀態,這樣周而復始,電動機便連續不斷地旋轉。
以上非官方發布內容,僅代表個人觀點。
熱門資訊:
請關注我們
江西電機
地址:上海市松江區莘磚公路399弄
座機: +86-021-6992-5088
傳真: +86-021-6992-5099
郵箱: 18717976220@163.com
Copyright ? 2020 江西電機?版權所有 網站圖片內容來源于網絡,如有侵權請聯系刪除。
滬ICP備16040912號-18
