sew變頻器的硬件(sew變頻器的使用)
- 發布時間:??2022-11-07
- 分類:行業資訊
- 作者:180.162.30.205-27257
- 來源:創始人
- 訪問量:1
1.1的端子描述和原理圖。SEW變頻器如下圖所示:主要分為X10 \ X11 \ X12 \ X13 \ X16 \ X17
變頻器接線端子示意圖
2.制動器和制動電阻的接線部分很重要,要根據圖示來理解。
抱閘和制動阻力
3.每個終端的功能描述,如下圖所示:
終端描述
4.制動阻力和安全停止信號注意:
制動阻力和安全停止信號
5.電源部分和制動硬件接線可參考下圖:
動力部件和制動器
6.緊急停止信號接線如下圖所示:
緊急停止部件的接線說明
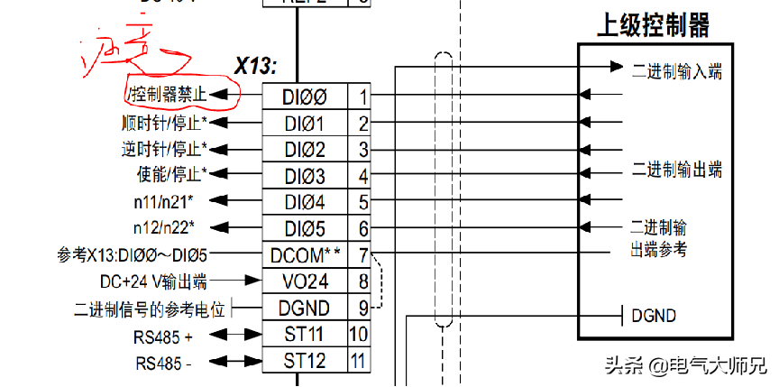
X13輸入信號端子如下圖所示:各端子的功能說明。
X13輸入端子描述
輸出信號端子和對應于每個端子的信號的描述
輸出信號X10的描述
控制信號的作用和時序可以參考下圖:其中DI00\DI03為起始條件。
控制時序圖
10.應特別注意關鍵參數:
(1).P100-設定點源-單極,固定設定點
(2) P101-控制信號源-端子
(3)P160內部設定值N11
P161內部設定值N12
P162內部設定值N13
熱門資訊:
請關注我們
江西電機
地址:上海市松江區莘磚公路399弄
座機: +86-021-6992-5088
傳真: +86-021-6992-5099
郵箱: 18717976220@163.com
Copyright ? 2020 江西電機?版權所有 網站圖片內容來源于網絡,如有侵權請聯系刪除。
滬ICP備16040912號-18
